Önmagától
nem működik a hűtő körfolyamat, ezért kell energiát befektetni.
1. ábra A kompresszor blokkvázlata
Követelmények:
1. Élettartama 5-10-szerese a belső égésű motornak, mert nagyon sokat üzemelnek.
2. Energetikai hatásfok (cop), környezetvédelem
3. zaj
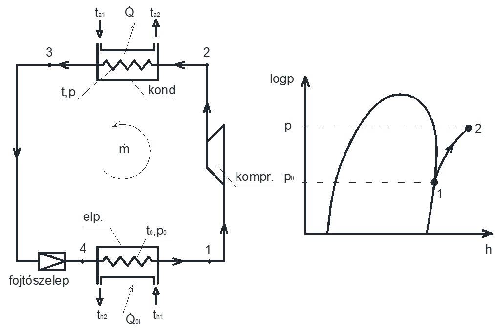
2. ábra Az egyfokozatú hűtőberendezés kapcsolási rajza és a komprimálás folyamata a logp-h diagramon
A kompresszorok fajtái:
3. ábra A kompresszorok csoportosítása
A kompresszorok csoportosítása:
Térfogat-kiszorításos elven működő kompresszor
A kompresszor a beszívott hűtőközeget kisebb térfogatra szorítja, így magasabb nyomásra emeli. Az ilyen kompresszor szakaszosan szállítja a hűtőközeget és nem folyamatosan. Ezek a dugattyús kompresszorok. Nagyobb nyomásviszonyoknál alkalmazhatók.
Áramlástani elven működő kompresszor
A kinetikus energiát átalakítjuk nyomási energiává. Ezek a turbókompresszorok, melyek nagy térfogatáram szállítására képesek. Kisebb nyomásviszonyoknál (2-3) alkalmazhatók.
A kompresszorokat lehet úgy is csoportosítani, hogy milyen a kapcsolat a kompresszor és a hajtómotor között.
4. ábra A kompresszor és a hajtómotor kapcsolata
1. Nyitott kompresszor (1800-as évek végétől, de ma már nem alkalmazzák őket)
5. ábra A nyitott kompresszor felépítése
A hermetikus zárást tömítéssel oldják meg, melyet csavarokkal zárnak. A gyűrűs tömszelence alkalmazása a mozgó tengely és a kompresszorház fala között történik.
Cél: hűtőközeg ne menjen ki, így megfelelő zárást kell biztosítani.
Ellenőrzés: a kompresszorház alján nézik egy kis csapon keresztül, hogy csöpög-e olaj kifele, ha nem, akkor nincs olaj, a tömítés nem jó.
Hátrányok
· felügyelet mellett: rendszeres vagy állandó
· karbantartást igényel
· helyfoglalást igényel
· egytengelyűség fontos
· helyszíni, hűtőközeg-oldali szerelés
· hűtőközeg környezetbe kerülése
Előnyök
· hűtőközeg fajtájától független
· tág elpárolgási hőmérséklet mellett alkalmazható (LBP, MBP, HBA)
· villanymotor meghibásodása esetén nem kerülhet semmi a hűtőközegoldalra
· villanymotor hűtése ventilátorral megoldott
Hűtési tartományok
6. ábra Hűtési tartományok
Ahol pszívó a szívóoldali nyomás (back pressure), Pkompr a kompresszor teljesítményfelvétele, LBP – low back pressure (fagyasztási tartomány); MBP – middle back pressure (hűtési tartomány); HBP – high back pressure (klímatartomány).
A kompresszorba olyan teljesítményű motort kell kiválasztani, mely biztosítani tudja a hűtési igényt az adott hűtési tartományban. Fontos a villanymotor megfelelő hűtése. Nyitott kompresszor esetén a motorba van beépítve egy ventilátor, és a motor hőjének leadása a környezet felé történik.
Ma már hermetikus kompresszorokat alkalmaznak. Az 1970-es évektől, a freon hűtőközegek elterjedése óta.
7. ábra A hermetikus kompresszorok csoportosítása
A freon hűtőközeg kifejlesztése Amerikában történt. Biztonságos hűtőközegnek is nevezik, mert a villanymotor részeit nem támadja meg, nem degradálja.
Félhermetikus kompresszor
Előnye, hogy szét lehet szedni, és az alkatrészeket lehet pótolni.
8. ábra A félhermetikus kompresszor felépítése
Teljesen
hermetikus kompresszor
9. ábra A teljesen hermetikus kompresszor felépítése
Semmilyen szivárgás nem lehet a környezet felé, de ha tönkremegy egy alkatrésze, nem lehet javítani, ki kell dobni.
Általában a villanymotor szokott idővel tönkremenni a kompresszor esetén. A gyártók a kompresszor méretét egyre jobban csökkentik annak érdekében, hogy a hűtőberendezés minél nagyobb lehessen.
Félhermetikus-hermetikus kompresszor
Előnyök:
· nincs csúszó gyűrűtömítés
· kisebb helyigény
· gyárilag adható az egytengelyűség
· szakfelügyelet lényegesen kevesebb
· hűtőközeg a környezetbe nem kerülhet
· kevesebb anyagfelhasználás
Hátrányok:
· alkalmazási adott hűtési tartományra fejlesztett kompresszort csak abban a tartományban lehet alkalmazni
· motor hűtése (átszívásos)
· megfelelő hűtőközeg és olaj
10. ábra A dugattyús kompresszor belső szerkezeti kialakítása
A komprimáláskor hirtelen megnő a nyomás, és ekkor a hűtőközeg-folyadékcseppek (melyek a változó terhelés miatt bekerülhetnek a kompresszorba) tönkretehetik a kompresszort, az széttörhet.
Hamisfedél: a zárást biztosítjuk, mely megakadályozza azt a problémát, nagyobb keresztmetszetet biztosít a folyadék távozásához a kompresszorból.
11. ábra A biztonsági szelep alkalmazása a hűtőberendezés védelméhez
Az olaj hideg állapotban szereti a hűtőközeget, oldódik benne. Hirtelen induláskor a szívóoldalon csökken a nyomás és az olaj-hűtőközeg elegy felhabozhat a karterben, és a kompresszor tönkremehet. E probléma elkerülésére karterfűtést, azaz egy villamos fűtést építenek be a kompresszor karterébe. Az indítás előtt 24 órával be kell kapcsolni és megfelelő hőmérsékleten kell tartani az olajat, így az olaj nem fog oldódni a hűtőközegben.
Kompresszor veszteségei
A hűtőközeg a kompresszor után belép a kondenzátorba. Állandó nyomást feltételezünk az elméleti körfolyamatnál. A valóságban azonban: a kondenzátornál is, az elpárolgásnál is van nyomásveszteség.
Nincs hőcsere a környezettel. Valós esetben a szíváskor a hűtőközeg hőmérséklete alacsonyabb, mint a kompresszortest hőmérséklete, kitoláskor fordítva.
A csővezetékekben is van nyomásesés. A veszteségek befolyásolják a hűtő körfolyamatot.
A kompresszor veszteségei dugattyús kompresszor esetén:
A kompresszor feladata: két nyomás között kompresszálja a hűtőközeget, szállítja elpárolgási nyomásról kondenzációs nyomásra. Elméletben a dugattyú teljes mértékben kitolja magából a hűtőközeget.
Káros tér: dugattyú felső holtpontja és a henger teteje közötti tér.
A kitolás során nem lehet 100%-ban kiüríteni a hengert, a valóságban mindig visszamarad valamennyi hűtőközeg (VK: komprimált tér).
Szelepek: szívó- és nyomószelepek → rugós szelepek
Szívószelep nyit, ha a hengerben uralkodó nyomás alacsonyabb, mint az elpárolgási nyomás.
Nyomószelep: nyit, ha a hengerben uralkodó nyomás magasabb, mint a kondenzációs nyomás.
Emellett a szelepeknek van saját ellenállása is.
A kompresszálás kezdetén a kompresszortest melegíti a hűtőközeget egészen addig, amíg a hőmérséklet-különbség azonos lesz a test és a hűtőközeg között, majd a hűtőközeg hőmérséklete tovább nő, és megfordul a hőáram, a hűtőközeg fogja hevíteni a kompresszortestet.
12. ábra A komprimálás folyamata elméleti és valós esetben
13. ábra A kompresszor indikált diagramja
Ahol VH a henger térfogata, VK a hűtőközeg töltettérfogata, Ve a káros tér, VL a lökettérfogat.
Káros tér (Ve)
A visszamaradó hűtőközeg nem engedi, hogy a hűtőközeg szíváskor beáramoljon a hengerbe. Ehhez kell egy többletmunka.
A szívószelep, mint egy penge, nyomáskülönbség hatására nyit vagy zár. Akkor nyit, ha a hengerben uralkodó nyomás alacsonyabb, mint az elpárologtatót elhagyó hűtőközeg nyomása.
Kitoláskor fordítva: a hengerben uralkodó nyomás magasabb kell, hogy legyen, mint a kompresszort elhagyó nyomás, azaz a kondenzációs nyomás.
Elméleti komprimálás: nincs nyomásveszteség sem a szívó-, sem a nyomóoldalon, és káros tér nincs.
A dugattyú alternáló mozgást végez az alsó (AHP) és a felső holtpont (FHP) között.
Valós eset:
Káros tér: Ve → valamennyi térfogat visszamarad, nem tudjuk 100%-ban kiüríteni a hengert, valamennyi hűtőközeg visszamarad a káros térben.
VL: lökettérfogat
Ahhoz hogy a szívásnál belépjen a hűtőközeg a hengerbe, a hengerben lévő nyomás alacsonyabb kell, hogy legyen az elpárolgási nyomásnál. Ahhoz pedig, hogy kitolja, nagyobb kell, hogy legyen a nyomás a hengerben a kitoláskor, mint a kondenzációs nyomás. Ekkor nyílnak a szelepek a kompresszorban. Ahhoz azonban, hogy a szelep nyisson, még több munkát kell befektetni, hogy legyőzzük a szelep saját ellenállását szíváskor.
Valós esetben a kompresszor kevesebbet szállít, mint elméletben.